الرجاء الانتظار
يتم الان معالجة طلبك
سلة الشراء فارغة !
السيارة: تويوتا->كامري / اريون->جميع الاختيارات->
الرجاء ادخال رقم الهيكل في حال توفره لديك
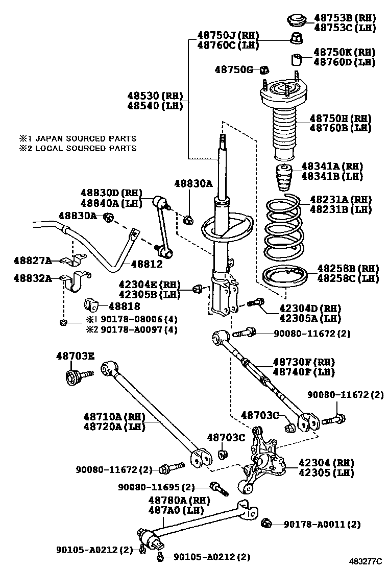
مساعد خلفي يسار
Production date: 20150499999904/2015- Models: ASV50 QTY: 01 المكينة: 2500CC 16-VALVE DOHC EFI; البودي: سيدان; الفئة: XSE TYPE; القير: قير اتوماتيك TRANSMISSION; عدد غيارات القير: قير اتوماتيك ٦ سرعات; مكان سائق المركبة: مقود السائق على اليسار; عدد الأبواب: ٤ ابواب; حقن الوقود: ثنائي عمود الحدبات (او التيمن) عالي الفعالية; مكان الوصول: دول الخليج العربي
نفذت الكمية
N/A